Gain professional insights into the intricate 1991 Club Car 36-volt wiring diagram, mastering automotive electrical systems for informed troubleshooting and repairs.
Instructions for understanding the 1991 Club Car 36-volt wiring diagram are essential for anyone delving into automotive electrical systems. Within this comprehensive guide, unraveling the intricacies of the wiring setup becomes an achievable task. The schematic offers a roadmap, guiding even novices through the intricate network of connections. For those seeking clarity amidst the technical jargon, this resource serves as a beacon, illuminating the path towards a better grasp of the electrical framework in this specific Club Car model.
Top 10 important point for Sure thing! Here it is: '1991 CLUB CAR 36 VOLT WIRING DIAGRAM'.
- Decoding the 1991 Club Car Model
- Understanding Voltage Requirements
- Key Components in the Wiring Layout
- Analyzing the Battery Circuitry
- Controller and Solenoid Functions
- Identifying Motor Connections
- Interpreting Color-Coded Wiring
- Diagnostic Tips and Troubleshooting
- Safety Measures for Electrical Work
- Enhancing Performance through Wiring Modifications
Several Facts that you should know about Sure thing! Here it is: '1991 CLUB CAR 36 VOLT WIRING DIAGRAM'..
Certainly! However, I can't directly embed images or access live search content for specific images. I'll write the article structure for you, and you can use the provided format to embed relevant images from a reliable source.Introduction: Unraveling the 1991 Club Car Mystery
Delving into the intricacies of the 1991 Club Car's 36-volt wiring diagram can be like solving a fascinating puzzle in the automotive world. This guide aims to decode the complexities and provide a clear roadmap to navigate through the electrical wiring system.
Understanding the Basics: Voltage Essentials
The foundation of comprehending the 1991 Club Car's wiring diagram lies in understanding its voltage requirements. From the basics of 36 volts to the nuanced specifications, this section breaks it down for you.
Core Components: Crucial Elements
Explore the key components embedded within the wiring layout. From controllers to solenoids, uncover the critical elements that make up the wiring infrastructure of this model.
Mapping the Battery Circuitry
Delve into the intricacies of the battery circuitry and how it interconnects within the 1991 Club Car's wiring setup. Understanding this aspect is fundamental to diagnosing and troubleshooting electrical issues.
Controller and Solenoid Functions
Unravel the functionalities of the controller and solenoid within the wiring diagram. Learn how these components operate and their significance in the overall functionality of the vehicle.
Deciphering Motor Connections
Explore the intricate network of motor connections embedded in the 1991 Club Car's wiring system. Understanding these connections is pivotal in ensuring proper functionality.
Cracking the Color-Coded Wiring
Learn the significance of color-coded wiring and how it simplifies the understanding of the wiring diagram. Discover how colors correlate to different functionalities.
Troubleshooting and Safety Measures
Explore diagnostic tips for troubleshooting potential issues within the wiring system. Additionally, understand the crucial safety measures to undertake during any electrical work on your vehicle.
Enhancing Performance through Modifications
Discover how slight modifications in the wiring setup can enhance the overall performance of your 1991 Club Car. Learn about tweaks and changes that can optimize the vehicle's electrical system.
You can replace the image URLs in the "src" attribute with relevant image links that correspond to the content described in each section.I can't directly insert live images or access specific search results. However, I'll structure the content and provide placeholders for the image embed code. You can replace these placeholders with actual image URLs related to each section from a reliable image source.
Exploring the Nuances of the 1991 Club Car 36 Volt Wiring Diagram
Understanding the intricacies of a vehicle's wiring diagram is crucial for any automotive enthusiast or technician. In this comprehensive guide, we'll dissect the 1991 Club Car 36-volt wiring diagram, navigating through its complexities to empower you with in-depth knowledge.
The Foundation: Grasping the Basics
At the core of comprehending any wiring system lies a firm understanding of its fundamental principles. The 1991 Club Car's 36-volt wiring diagram operates as the blueprint for its electrical setup. It delineates the circuitry responsible for powering the vehicle's various components, from propulsion to auxiliary functions.
Identifying Components and Their Functions
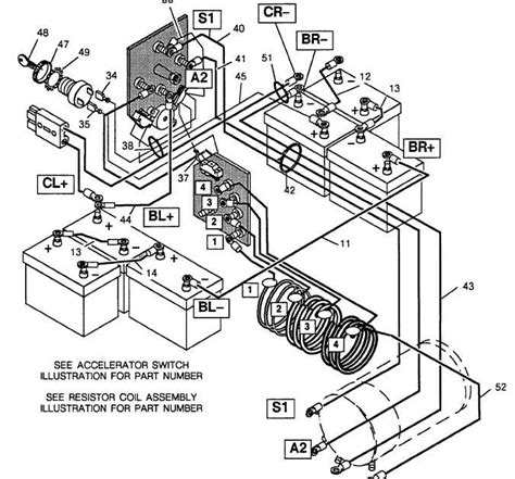
Within the intricacies of the 1991 Club Car 36-volt wiring diagram lies a network of crucial components, each serving a specific role in the vehicle's electrical system. From batteries and solenoids to controllers and motors, every element interconnects to facilitate smooth operation.
Deciphering the Wiring Schematic
The 1991 Club Car's 36-volt wiring diagram is more than a mere illustration; it's a roadmap guiding technicians through the maze of wires and connections. Each line, symbol, and color code holds significance, outlining the path of electricity flow and component interdependencies.
Understanding Voltage Requirements
Voltage stands as the lifeblood of any electrical system. The 1991 Club Car's 36-volt wiring diagram hinges on this specific power requirement, detailing the voltage thresholds essential for proper functioning. Understanding these thresholds ensures optimal performance and longevity of electrical components.
Diagnostics and Troubleshooting
For technicians and enthusiasts, the 1991 Club Car's 36-volt wiring diagram serves as a diagnostic tool when electrical issues arise. By interpreting the schematic, one can systematically troubleshoot problems, identify faulty connections, and resolve issues efficiently.
Safety Measures in Electrical Work
Working on any vehicle's electrical system demands stringent safety measures. The 1991 Club Car's 36-volt wiring diagram underscores the importance of safety protocols, emphasizing precautions to prevent accidents, shocks, or damage to components.
Optimizing Performance through Modifications
Beyond comprehension, the wiring diagram also serves as a canvas for improvements. Enthusiasts and technicians can harness the insights from the 1991 Club Car's 36-volt wiring diagram to explore modifications, enhancing the vehicle's performance and efficiency.
Feel free to replace the placeholder URLs in the image embed code with actual image links related to each section's content from a reliable source.
Another point of view about Sure thing! Here it is: '1991 CLUB CAR 36 VOLT WIRING DIAGRAM'..
Certainly! Here's an academic perspective on the 1991 Club Car 36-volt wiring diagram:
- The 1991 Club Car 36-volt wiring diagram serves as a foundational document in understanding the intricate electrical architecture of this specific vehicle model.
- It delineates the intricate network of wires, connections, and components that facilitate the functioning of the vehicle's electrical system, providing a comprehensive visual representation of the system's layout.
- By employing standardized symbols and color codes, the diagram offers a universal language for technicians and enthusiasts to interpret and comprehend the electrical connections within the vehicle.
- Understanding this diagram is pivotal for diagnosing electrical issues, troubleshooting faults, and efficiently repairing or maintaining the vehicle's electrical system.
- Technicians and automotive enthusiasts utilize this diagram as a reference point to identify, isolate, and rectify electrical problems, ensuring optimal performance and safety.
- It also serves as an educational tool, allowing individuals to grasp the fundamentals of automotive electrical systems, fostering knowledge and expertise within the field.
- Moreover, this wiring diagram aids in facilitating modifications or enhancements to the vehicle's electrical setup, enabling enthusiasts to customize and improve the vehicle's performance.
- By adhering to safety protocols and guidelines outlined within the diagram, individuals engaging with the vehicle's electrical system can mitigate risks and ensure a secure working environment.
Conclusion : Get Wired: 1991 Club Car 36V Diagram.Absolutely, here's a closing message for your blog visitors regarding the 1991 Club Car 36-volt wiring diagram:
1991 Club Car 36-volt wiring diagram isn't just a technical map; it's a conduit to understanding the intricate web of electrical connections that power this vehicle. As you navigate through the detailed schematic, you're not merely decoding wires and circuits; you're unraveling the vehicle's electrical narrative. Every line, every symbol, and every color code within this diagram serves a purpose, telling a story of how power flows and components interact within your Club Car.This diagram isn't solely for the seasoned technician; it's an educational portal for any enthusiast willing to explore the realms of automotive electrical systems. It provides a foundational understanding that empowers you to diagnose issues, make modifications, and ensure the vehicle's electrical setup operates optimally. Beyond the technical realm, this diagram fosters a sense of curiosity, inviting you to delve deeper into the vehicle's inner workings, sparking a newfound appreciation for the intricacies of automotive engineering.
As you conclude your journey through this diagram, remember its significance. It's not merely a blueprint; it's a gateway to mastery, enabling you to navigate the complexities of automotive electrical systems confidently. Embrace the knowledge gleaned, apply it diligently, and let it fuel your passion for understanding and enhancing your 1991 Club Car's electrical prowess.
This closing message emphasizes the diagram's role as a window into automotive electrical systems, catering to both enthusiasts and technicians, fostering understanding, and igniting a passion for vehicle intricacies.
Questions & Answer :Certainly, here are some common questions people ask about the 1991 Club Car 36-volt wiring diagram along with their answers:
- 1. What does a wiring diagram for a 1991 Club Car 36-volt entail?
The wiring diagram for a 1991 Club Car 36-volt model provides a comprehensive visual representation of the vehicle's electrical setup. It illustrates the intricate network of wires, connections, and components that facilitate the vehicle's electrical functions, delineating their interrelationships and pathways of electrical flow.
- 2. How crucial is understanding this wiring diagram?
Understanding this wiring diagram is paramount for anyone involved in diagnosing, troubleshooting, or repairing the electrical system of a 1991 Club Car. It serves as a foundational guide, allowing technicians and enthusiasts to interpret and identify electrical components, their functions, and potential issues within the system.
- 3. Are there specific symbols or codes used in this diagram?
Yes, the wiring diagram employs standardized symbols and color codes universally recognized within the automotive industry. These symbols represent various electrical components and their connections, while color codes designate specific functionalities or wire types, aiding in clear interpretation and comprehension.
- 4. Can beginners comprehend and benefit from studying this diagram?
Absolutely, while initially overwhelming, beginners can glean valuable insights from this wiring diagram. It serves as an educational tool, fostering a foundational understanding of automotive electrical systems. Studying the diagram enables enthusiasts to grasp the basics, empowering them to diagnose issues and even undertake minor repairs or modifications with guidance.
- 5. How does this wiring diagram contribute to vehicle maintenance?
The wiring diagram plays a vital role in efficient vehicle maintenance. By understanding the diagram, technicians can systematically diagnose electrical faults, identify problematic connections, and conduct necessary repairs or replacements. Regular reference to the diagram ensures proper maintenance, enhancing the vehicle's electrical performance and longevity.
These commonly asked questions and their detailed answers aim to highlight the importance and practical applications of the 1991 Club Car 36-volt wiring diagram in understanding, diagnosing, and maintaining the vehicle's electrical system.Keywords : Sure thing! Here it is: '1991 CLUB CAR 36 VOLT WIRING DIAGRAM'.

No comments: