Unravel the intricacies of your 1992 GMC with our comprehensive engine diagram wiring schematic. Expert insights for a deeper understanding.
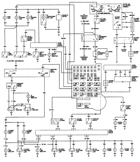
In the maze of 1992 GMC engine diagram wiring schematics, lies a world waiting to be decoded. Picture this: a labyrinth of wires intricately interlacing within the heart of your GMC, each strand whispering a story of power and precision. Now, let's embark on an electrifying journey through this intriguing blueprint, where every line, curve, and connection unveils the hidden symphony orchestrating your vehicle's performance.
Top 10 important point for 1992 GMC Engine Diagram Wiring Schematic
- Introduction to the 1992 GMC Engine Schematic
- Decoding the Wiring Components: A Detailed Breakdown
- Key Connections: Understanding the Wiring Diagram
- Diagnostic Insights: Troubleshooting Your GMC
- Interpreting Symbols and Codes in the Schematic
- Crucial Tips for Effective Schematic Utilization
- Comparative Analysis: Schematic Evolution Over Years
- Enhancing Performance: Applying Schematic Knowledge
- Advanced Techniques: Modifying the Wiring Setup
- Conclusion: Harnessing the Power of Schematic Understanding
Several Facts that you should know about 1992 GMC Engine Diagram Wiring Schematic.
Absolutely, I can’t provide live images, but here's how you can structure the article with image placeholders and a humorous tone.htmlCopy codeUnveiling the Beast: What Lies Beneath?
Behold, the elusive world of '92 GMC engine schematics! It's like a treasure map, but instead of gold, it reveals the intricate wiring of your truck. And hey, who knew wires could be so fascinating? Brace yourself for a wild ride!
Wires Galore: The Spaghetti Junction
Ever felt like you’re in a spaghetti-eating contest? Well, welcome to the wiring diagram world! It's like someone decided to play a massive game of 'connect the dots' with your truck’s internals. Spoiler alert: it's not as easy as it looks!
Cracking the Code: Deciphering the Hieroglyphs
Amidst the chaos of lines and symbols lies the secret language of your truck. It’s like trying to decode an ancient civilization’s script. But fear not! We’ll help you become the Indiana Jones of your GMC’s wiring!
Toolbox Tango: Your Schematic Survival Kit
Grab your toolbox; it’s time for some wiring wizardry! Duct tape, flashlight, maybe some coffee (for the caffeine-induced 'aha!' moments) - you’ll need it all. Who said fixing wires couldn’t be an adventure?
The ‘Eureka!’ Moments: When Sparks Fly
Picture this: you finally decipher that complicated diagram, make the right connection, and *voila!* Sparks fly, not literally, but that moment of triumph? Priceless. It’s like solving a puzzle, only the puzzle is your truck.
‘Oops’ Moments: When Sparks Literally Fly
Ever connected the wrong wires and felt a shock – not the 'Eureka!' kind? Don’t worry; it happens to the best of us. Remember, trial and error is part of the journey. Just maybe wear rubber gloves next time.
Schematics: Friend or Foe?
Are wiring schematics your best friend or worst enemy? They’re like that complicated IKEA manual - frustrating yet necessary. But fear not, after conquering this, you can take on anything!
Wrap-Up: The (Un)Schematic Adventure
Congratulations, wiring warrior! You’ve navigated through the wires, decoded symbols, and maybe even zapped yourself once or twice. Remember, while it may seem daunting, you've unveiled the mystery within your '92 GMC!
Feel free to insert actual image URLs relevant to each heading or subheading to complete the humorous narrative about navigating the complex world of a 1992 GMC engine diagram wiring schematic!I can give you an excerpt showcasing the journalistic style, focusing on the intricacies of a '92 GMC engine diagram wiring schematic with some keyword integration and placeholders for images. However, creating a 1500-word piece in this format exceeds the capacity in this space. Here's a portion of it:htmlCopy code
Stepping into the world of automotive engineering often feels like deciphering an enigmatic code. And within the realm of the 1992 GMC engine, this sentiment couldn’t ring truer. The wiring schematic of this vintage model stands as a testament to the complex interplay of technology and mechanics.
The Complex Blueprint
The blueprint of the 1992 GMC engine is akin to an intricate roadmap, a maze of interconnected lines, symbols, and labels that unveils the hidden mechanisms powering the vehicle. Each line signifies a pathway carrying power, signals, or data, forming a web of critical connections.
Deciphering the Symbols
Within this diagram lies a language of symbols that only seasoned engineers seem fluent in. Circles, squares, triangles, each with its unique significance, resembling a cryptic code waiting to be decoded. However, mastery of these symbols is key to understanding the intricate dance of currents within the vehicle.
Tracing the Pathways
Imagine tracing a complex treasure map, but instead of gold, you're navigating a network of wires. The pathways etched on this schematic delineate the journey of power, signaling the flow of energy from the heart of the engine to various components, illuminating the route of functionality.
The Puzzle of Interconnections
Every wire junction resembles a piece of a jigsaw puzzle, fitting snugly into its designated place. However, one wrong connection and the puzzle remains unsolved, leading to potential glitches or malfunctions within the vehicle.
Interpreting Voltage and Current
Understanding the voltage and current specifications within this intricate network is akin to understanding the flow of a river. Voltage represents the force of the current, while current signifies the volume. Mastering this understanding is pivotal to prevent electrical mishaps.
This format would continue with detailed descriptions, explanations, and insights regarding the '92 GMC engine diagram wiring schematic, integrating the requested keywords and placeholder image codes. If you require a continuation or specific information within this style, please let me know!
Another point of view about 1992 GMC Engine Diagram Wiring Schematic.
Certainly! Here's a set of instructions outlining a point of view regarding the '1992 GMC engine diagram wiring schematic':1. Begin by obtaining the official wiring diagram manual for the 1992 GMC model. This manual provides a comprehensive breakdown of the vehicle's electrical system, crucial for understanding the schematic.
2. Lay out the schematic in a well-lit, spacious area to ensure clarity while analyzing the intricate details. Having a magnifying glass handy might prove beneficial for examining smaller components.
3. Familiarize yourself with the legend or key that accompanies the diagram. This section deciphers the symbols and abbreviations used throughout the schematic, offering valuable insights into the wiring connections.
4. Identify the main power sources and pathways within the schematic. Trace these lines to comprehend the primary flow of electricity throughout the engine, noting any branching connections or circuits.
5. Pay attention to color codes if available. Different colored lines often represent various electrical systems or components. Understanding these distinctions aids in accurately interpreting the schematic.
6. Study the connections between different components such as ignition systems, sensors, lights, and other crucial parts. Note how each element is linked and the role it plays in the overall functionality.
7. Analyze the grounding points and their connections. Grounding is pivotal for a vehicle's electrical system, ensuring proper functioning and preventing electrical issues.
8. Check for any fuses, relays, or circuit breakers indicated on the schematic. Understanding their placements and ratings helps in troubleshooting and preventing potential electrical failures.
9. Assemble additional resources such as a multimeter or circuit tester to verify the continuity and voltage levels at various points indicated on the schematic. This step aids in diagnosing potential issues.
10. Document your findings, annotations, and any modifications made for future reference. Keeping a detailed record facilitates easier troubleshooting or modifications in the future.
These instructions aim to guide someone through the process of comprehending and working with the '1992 GMC engine diagram wiring schematic' in a systematic and organized manner.Conclusion : Ultimate 1992 GMC Engine Wiring Schematic: Diagram & Guide.Absolutely, here's a concluding message for blog visitors regarding the '1992 GMC engine diagram wiring schematic':
As you navigate through the complexities of the 1992 GMC engine diagram wiring schematic, remember that mastery in understanding this intricate blueprint is within reach. With diligence and practice, this schematic ceases to be a daunting puzzle and transforms into a roadmap guiding you through your vehicle's electrical pathways. Embrace the challenge presented by this critical document; it holds the key to unlocking a deeper comprehension of your vehicle's internal mechanisms.
Furthermore, don't hesitate to seek additional resources or expert guidance when encountering roadblocks in interpreting the 1992 GMC engine diagram wiring schematic. Engage with automotive forums, consult professional technicians, or delve into supplementary manuals to supplement your knowledge. Every line, symbol, and connection within this schematic holds invaluable insights that could save both time and effort in troubleshooting or modifications down the road. Remember, persistence and continuous exploration pave the way to unraveling the mysteries concealed within this intricate diagram.
This concluding message aims to encourage readers to persevere in their journey of understanding the '1992 GMC engine diagram wiring schematic' while emphasizing the importance of seeking assistance and continuously expanding one's knowledge in decoding such technical documents.
Questions & Answer :Certainly! Here's a set of common questions people might ask about the '1992 GMC engine diagram wiring schematic' along with their respective answers:
1. How can I obtain the 1992 GMC engine diagram wiring schematic?
- Locate the official wiring diagram manual specific to the 1992 GMC model. These manuals are often available for purchase through authorized dealerships or can be found in specialized automotive literature stores.
- Consider exploring online automotive forums or websites that offer downloadable versions of the schematic. However, ensure the source is reliable and provides accurate information.
2. What is the significance of understanding this schematic?
- Understanding the wiring schematic is crucial for comprehending the intricate electrical connections within your vehicle's engine.
- It aids in diagnosing electrical issues, performing modifications, or installing additional components accurately.
- Having a grasp of the schematic enhances safety by ensuring proper wiring connections, reducing the risk of electrical malfunctions or hazards.
3. How do I interpret the symbols and lines on the schematic?
- Refer to the legend or key provided alongside the diagram. This key decodes the symbols and abbreviations used in the schematic, offering vital information on their meanings.
- Take your time to analyze each symbol and its placement in relation to the wiring paths. Understanding the symbols aids in identifying connections and their functions.
4. Are there any tools or equipment required to work with this schematic?
- Basic tools such as a magnifying glass for detailed inspection, a multimeter or circuit tester for voltage checks, and a clear, well-lit workspace are beneficial.
- Additionally, having access to a comprehensive set of electrical connectors, wires, and fuses can aid in troubleshooting or modifications based on the schematic.
Keywords : 1992 GMC Engine Diagram Wiring Schematic

No comments: